品质体系
 
公司简介
公司地图
组织图
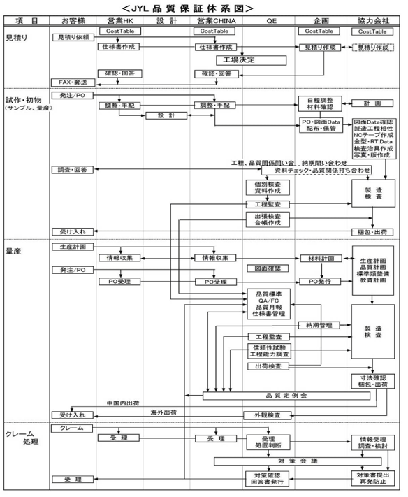
品质体系
环境信息公开
工厂概要
工厂布局图
联系我们
 
 
PCB事业
电子部品及产品事业
其他业务
 
 
 
 
 
 
 

 
 

Copyright © 2007 JYL.net.cn Inc. All rights reserved.